Abstract
Moving from fixed speed to variable speed motors with position and current feedback enables optimized performance and provides a path to valuable process and energy savings. This article provides an overview of motor encoders (position and speed), including types and technologies, and application use cases. It also answers key questions such as what encoder performance metrics are the most critical for my system. Key future trends for electronics used in encoder applications will be discussed, including machine health monitoring, intelligence, and robust longer life sensing. Finally, we’ll explain why complete signal chain designs are fundamental for designing next-generation motor encoders.
Motor Encoder Performance Metrics, Trends, and Electronics
After reading this article, you should be able to answer the following key questions:
- What is an encoder and how does it improve the performance of my inverter and motor-driven system?
- What encoder performance metrics are the most critical for my system? After reading this article, you will understand how to match encoder resolution, accuracy, and repeatability specifications to motor and robot system specifications.
- What are the electronics commonly used in encoders, and what are the future trends? After reading this article, you will understand how machine health monitoring, edge intelligence, robust sensing, and high speed connectivity are enabling future encoder designs.
Closed-Loop Motor Control Feedback System
There has been a steady and constant move from traditional grid-connected motors to inverter-driven motors in the last couple of decades. This has been, and is continuing to be, a significant transition in industrial rotating equipment and has resulted in huge process and energy savings with motors and end equipment being used more efficiently. Higher quality motor control performance with variable speed drives and servo driven systems now offer enhanced quality and synchronization for the most demanding applications. Motor performance and efficiency are improved by using the power inverter, high performance position sensing, and current/voltage closed-loop feedback for the power stage as shown in Figure 1.
Open-loop speed control of motors is possible by applying a variable frequency voltage to the motor using pulse width modulation in the inverter. In steady state or slowly varying dynamic conditions, this will work reasonably well, and many motor drives in lower performance applications utilize open-loop speed control, without requiring an encoder. However, there are several disadvantages to this approach:
- Speed accuracy is limited as there is no feedback
- Motor efficiency is poor, as the current control cannot be optimized
- Transient response must be strictly limited so that the motor does not lose synchronization

What Is a Position Encoder?
An encoder provides closed-loop feedback signals by tracking a rotating shaft speed and position. Optical and magnetic encoders are the most widely used technologies, as shown in Figure 2. In general-purpose servo drives, encoders are used to measure the shaft position, from which the drive rotational speed is derived. In robotics and discrete control systems, precise and repeatable shaft position is required. Optical encoders consist of a glass disk with fine lithography slots. Photodiode sensors detect light variation as it passes through or is reflected off the disk. The analog output of the photodiode is amplified and digitized and then sent over wired cabling to the inverter controller. Magnetic encoders consist of magnets mounted to the motor shaft, with a magnetic field sensor providing sine and cosine analog output, which is amplified and digitized. The optical and magnetic sensor signal chains are similar as shown in Figure 2.
Motor Encoder Types, Technologies, and Performance Metrics
Absolute single-turn encoders return the absolute position, either within mechanical or electrical 360° once power is applied. The position of the motor shaft can be read immediately. Absolute multiturn encoders include both absolute functions and count the number of 360° turns. In contrast, incremental encoders provide position relative to the rotation starting point. Incremental encoders provide an index pulse to indicate 0° and a single pulse to count turns or a dual pulse to give direction information.

The resolution of an encoder is the number of positions that can be distinguished per 360° rotation of the motor shaft. In general, the highest resolution encoders use optical technology, while medium resolution/high resolution encoders use magnetic or optical sensors. Resolvers (rotary transformers) or Hall sensors are used for low to medium resolution encoders. Optical or magnetic encoders use high resolution signal conditioning. The majority of optical encoders are incremental. Encoder repeatability is a key performance metric and is a measure of how consistently the encoder returns to the same commanded position. This is critical for repetitive tasks such as robotics or pick and place machines for semiconductor placement during PCB manufacture.

| Metric | Definition | Comments |
| Resolution | The number of positions (n) an encoder can distinguish per revolution | High resolution: 16 bits to 24 bits Medium resolution: 13 bits to 18 bits Low resolution: <12 bits |
| Absolute Accuracy | The difference between the actual position and the reported position through one rotation (like INL) | Position control applications depend on absolute accuracy |
| Differential Accuracy | The difference between the reported distance between two neighbored positions and the ideal distance between positions (like DNL) | Speed control applications depend on differential accuracy |
| Repeatability | How consistently the encoder returns to the same commanded position | Repeatability is important for repetitive tasks such as those involving robotics |
The Importance of Motor Encoder Accuracy and Repeatability
Pick and place machines/robots are commonly utilized automation machines in the food packaging and semiconductor manufacturing industries. A machine or robot with high accuracy and repeatability is required for process efficiency. The accuracy, repeatability, and efficiency are achieved using high performance motor encoders.
Figure 4 illustrates an encoder use case in robotics. Motors drive each joint in a robot arm via precision speed reduction gearboxes. The robot joint angles are measured via a precision motor-mounted shaft angle encoder (θm) and often additional arm-mounted encoder (θj).
For robots, the main performance specification listed on data sheets is repeatability and typically the order of magnitude is at a submillimeter level. By knowing the repeatability specification and the robot reach, you can extrapolate back to the rotary encoder specifications.

The angular repeatability (θ), required at the joint encoder, can be derived from trigonometry: tan inverse of robot repeatability divided by reach.
Multiple joints combine to achieve the overall robot reach. The sensor should have a higher performance than the target angular accuracy. The repeatability specification per joint must be improved, and a factor 10 improvement is assumed here. For the motor encoder, the repeatability is defined by the gearbox ratio (G).
For example, robot systems shown in Table 2, 20-bit to 22-bit repeatability specifications are required for the joint encoder while 14-bit to 16-bit resolutions are necessary for the motor encoder.
| Robot System | Robot 1 | Robot 2 | |
| Assumed Gear Ratio, G | 100 | ||
| Repeatability Spec | ±0.05 mm | ±0.01 mm | |
| Reach, L | 1.30 m | 1.10 m | |
| Encoder Repeatability Spec | θ | 0.0022° | 0.0005° |
| θj/101 | 0.00022° (~20-bit) | 0.00005° (~22-bit) | |
| θm = θj × G | 0.02° (~14-bit) | 0.005° (~16-bit) | |
| 1Individual encoder must be higher accuracy to achieve overall system accuracy as the robot reach consists of multiple joints. | |||
Future Trends for Motor Encoder Technologies
Future encoder trends and technologies that will enable these trends are described in Figure 5.

Research from Rockwell1 for servo drives, encoders, and encoder communication ports shows an annual growth of 20% in transceivers for feedback communication. Single-Pair Ethernet (SPE) transceivers that support 100 Mbps communications over two wires (IEEE 802.3dg standard 100BASE-T1L)1 are currently under investigation, with future encoder drive interfaces benefitting from low latency, with ≤1.5 µs targeted. This low latency will support quicker feedback data acquisition and faster control loop response time.
Condition-based monitoring (CbM) of robotics and rotating machines, such as turbines, fans, pumps, and motors, records real-time data related to the health and performance of the machine to enable targeted predictive maintenance, as well as optimized control. Targeted predictive maintenance, early in the machine life cycle, reduces the risk of production downtime resulting in increased reliability, significant cost savings, and increased productivity on the factory floor. Using MEMS accelerometers, placed in the encoder, provides vibration feedback for machines where quality control is critical. Adding a MEMS accelerometer to an encoder is convenient as the encoder already has existing cabling, communications, and power to provide vibration feedback to the controller. In some applications, such as CNC machines, the MEMS vibration data sent from the encoder to the servo can be used to optimize the performance of the system in real time.
Extending the useful life of industrial assets using CbM can be complemented with robust longer life position sensors. Magnetic sensors, which produce analog outputs that indicate the angular position of the surrounding magnetic field, can be used instead of optical encoders. Magnetic encoders can be used in areas that have higher humidity, dirt, and dust. These harsh environments impair the performance and lifetime of optical solutions.
For robotics and other applications, the position of the mechanical system must always be known, even in the event of a power loss. One of the major costs and inefficiencies associated with standard robots, cobots, and other automated assembly equipment is the resulting downtime required for rehoming and initializing power-up following a sudden loss of power while operating. The magnetic multiturn memory that has been developed by Analog Devices2 requires no external power to record the number of rotations of an external magnetic field. This leads to reduced system size and cost.
For robots and cobots, motor encoders and joint encoders typically require 16-bit to 18-bit ADC performance, with the 22-bit ADCs required in some cases. High performance ADCs, with up to 24-bit resolution, are also required for some optical absolute position encoders.
Motor Encoder Signal Chains
Figures 6, 7, 8, and 9 illustrate encoder signal chains for magnetic (anisotropic magnetoresistive (AMR) and Hall technologies), optical, and resolver encoders. The components are grouped into five main categories:
1. Tracking shaft position and speed using magnetic sensors (AMR, Hall)
2. Machine health monitoring
a. MEMS sensors
b. Temperature sensors
3. Intelligence
a. Microcontroller with/without integrated ADC
b. Resolver-to-digital converter (RDC)
4. Cable interface
a. High speed RS-485/RS-422 transceiver
b. SPI to RS-485 extender transceiver
5. Signal conditioning
a. High performance ADCs (12-bit to 24-bit resolution)
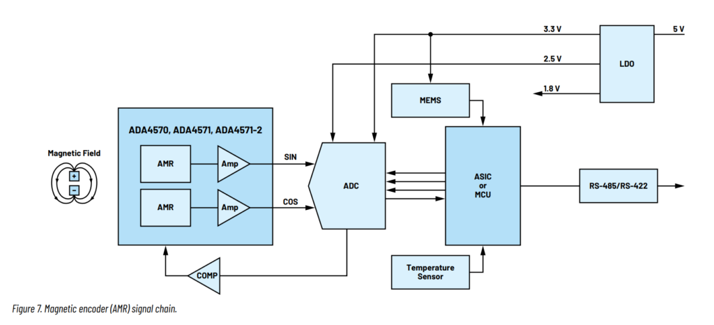
Magnetic Encoder (AMR)
Sensing
In the field of magnetic-based position sensors, AMR sensors provide the best combination of robustness and accuracy. The sensor is typically positioned opposite a dipole magnet attached to the motor shaft as depicted in Figure 6.

AMR sensors are sensitive to magnetic field direction changes, unlike Hall technology that is sensitive to field intensity. The resulting advantage is that the sensor is very tolerant to airgap and mechanical tolerance variation in the system. Also, as there is no operating magnetic field upper limit with AMR sensors, the sensor is extremely robust to stray magnetic fields when operating with a high magnetic field.
The ADA4571 is an AMR sensor with low latency integrated signal conditioning and provides a single-ended analog output. The ADA4571 single-chip solution provides guaranteed angular accuracy (only 0.10 typical angular error) and can operate at speeds up to 50k rpm. The ADA4571-2 is a dual version that provides full redundancy without compromising performance in applications that are safety critical.
The ADA4570 is a derivative of the AAD4571 with the same performance but with a differential output for use in harsher environments. The high angular accuracy and repeatability provided by the ADA457x family improve closed-loop control, reducing motor torque ripple and noise. The single-chip architecture improves reliability, reduces size and weight, and is easier to integrate compared to competing technologies.
Signal Conditioning and Power
The AD7380 4 MSPS dual simultaneous sampling, 16-bit SAR ADC provides many system-level benefits, including a space-saving 3 mm × 3 mm package important for space-constrained encoder PCB boards. The 4 MSPS throughput rate ensures that detailed sine and cosine cycles are captured, and encoder positions are up to date. The high throughput rate enables oversampling on-chip, which reduces the time penalty of digital ASICs or microcontrollers feeding the precise encoder position to the motor. An extra benefit of the AD7380’s on-chip oversampling is that it allows for an additional 2 bits of resolution, which can be easily used with an on-chip resolution boost feature. Application note AN-20033 details this oversampling and resolution boost feature of the AD7380. The VCC and VDRIVE of the ADC and the supply rails of the amplifier driver can be powered by an LDO regulator, such as the LT3023. Multiple output low noise LDOs such as the ADP320, LT3023, and LT3029 can be used to power all components in the signal chain.
Transceiver
The ADM3066E RS-485 transceiver features ultralow transmitter and receiver skew performance, which makes these devices ideal for transmission of a precision clock, which is often featured in motor encoding standards, such as EnDat 2.2.4 The ADM3065E has been demonstrated to show less than 5% deterministic jitter across typical cable lengths encountered in motor control applications. The wide supply range of the ADM3065E means this level of timing performance is available for applications that require either a 3.3 V or 5 V transceiver power supply. For more information, see the technical article “Going Faster and Further with Fieldbus.”5
Microcontroller
For applications that require lower resolutions of 12 bits or less, an alternative to using an AD7380 ADC is a microcontroller with integrated ADC. The tiny MAX32672 ultra low power Arm® Cortex®-M4F microcontroller includes a 12-bit 1 MSPS ADC with enhanced security, peripherals, and power management interfaces.

Asset Health Monitoring
The ADXL371 is an ultralow power, 3-axis, digital output, ±200 g microelectromechanical system (MEMS) accelerometer for machine monitoring. The ADXL371 is cost-effective, available in a small 3 mm × 3 mm package, and operates at up to +105°C. In instant on mode, the ADXL371 consumes 1.7 μA while continuously monitoring the environment for impacts. When an impact event that exceeds the internally set threshold is detected, the device switches to normal operating mode fast enough to record the event.
The ADT7320 is a high accuracy digital temperature sensor, which requires no user calibration or correction and excellent long-term stability and reliability. The ADT7320 is rated for operation over an extended range of −40°C to +150°C and is available in a small 4 mm × 4 mm LFCSP package.
| Component | Recommended Part Numbers |
| MEMS Accelerometer | ADXL371, ADXL372, ADXL314, ADXL375 |
| Temperature Sensor | ADT7320 |
| Power (LDO Regulator) | ADP320, LT3023, LT3029 |
| ADC, 12-Bit, 16-Bit SAR | MAX11198, AD7380, AD7866 |
| AMR Magnetic Sensor | ADA4570, ADA4571, AD4571-2 |
| Dual Comparator | LTC6702 |
| Transceiver (RS-485, RS-422) | MAX22506E, ADM3066E, ADM4168E, MAX22500E |
| Microcontroller, Integrated ADC | MAX32672, MAX32662 |
Magnetic Encoder (Hall)
A Hall encoder can be designed using the AD22151 or the AD22151G. The AD22151G is a linear magnetic field transducer. The sensor output is a voltage proportional to a magnetic field applied perpendicularly to the package top surface. To design the encoder system, equally spaced magnets are placed on a rotating motor shaft. As the rotating shaft magnets pass the Hall sensors, the voltage output from the sensor peaks. Using more magnets or sensors produces more resolution. The Hall effect encoder can use the MAX32672 and ADM3066E for the wired interface. The ADXL371 MEMS and ADT7320 offer condition monitoring for harsh encoder environments. The Magnetic Encoder (AMR) section provides more information on these signal chain components.
| Component | Recommended Part Numbers |
| MEMS Accelerometer | ADXL371, ADXL372, ADXL314, ADXL375 |
| Temperature Sensor | ADT7320 |
| Power (LDO Regulator) | ADP120, ADP220, ADP320, LT3023, LT3029, LT3024, LT3027 |
| Transceiver (RS-485/RS-422) | MAX22506E, ADM3066E, ADM4168E, MAX22500E |
| Hall Sensor | AD22151, AD22151G |
| Microcontroller, Integrated ADC | MAX32672, MAX32662 |
Optical Encoder
The optical encoder signal chain components are almost identical to those described in the Magnetic Encoder (AMR) section. However, to support higher encoder resolutions, the AD7760 2.5 MSPS, 24-bit, 100 dB sigma-delta (Σ-Δ) ADC is recommended. It combines wide input bandwidth and high speed with the benefits of sigma-delta conversion to achieve a performance of 100 dB SNR at 2.5 MSPS, making it ideal for high speed data acquisition.


| Component | Recommended Part Numbers |
| MEMS Accelerometer | ADXL371, ADXL372, ADXL314, ADXL375 |
| Temperature Sensor | ADT7320 |
| Power (LDO Regulator) | ADP320, LT3023, LT3029 |
| ADC, 12-Bit, 16-Bit, 24-Bit | MAX11198, AD7380, AD7866, AD7760 |
| Precision Op Amp | ADA4622-4 |
| Dual Comparator | LTC6702 |
| Transceiver (RS-485, RS-422) | MAX22506E, ADM3066E, ADM4168E, MAX22500E |
| Microcontroller, Integrated ADC | MAX32672, MAX32662 |
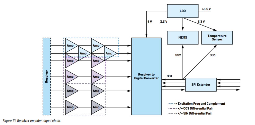
Resolver (Coupled) Encoder
A resolver encoder has some advantages, such as high mechanical reliability and accuracy; however, compared to a magnet and ADA4571, a resolver is expensive.
The AD2S1200 converts the signal from the resolver to the digital angle/angular rate. Figure 10 shows the resolver signal chain. Two amplifiers are used to create a third-order Butterworth low-pass filter to pass the resolver signals to the AD2S1200. Refer to Circuit Note CN0276 for more information.
To save space and reduce design complexity, the LTC4332 SPI extender is recommended. The LTC4332 enables system partitioning, providing the option of placing the microcontroller at the servo, rather than at the encoder. If a microcontroller is required at the encoder, the MAX32672 SPI interface can be used as the direct link to the AD2S1200 and the ADM3065E RS-485 transceiver can be used instead of the LTC4332.
If the LTC4332 is used, the AD2S1200 SPI output is converted to a robust differential fieldbus interface. The LTC4332 includes three subordinate select lines, so additional sensors such as MEMS and temperature sensors can be wired on the same bus as the AD2S1200.
| Component | Recommended Part Numbers |
| MEMS Accelerometer | ADXL371, ADXL372, ADXL314, ADXL375 |
| Temperature Sensor | ADT7320 |
| Precision Op Amp | ADP120, ADP220, ADP320, LT3023, LT3029, LT3024, LT3027 |
| Dual Comparator | AD8694, AD8692, AD8397 |
| Transceiver (RS-485, RS-422) | LTC4332, ADM3065E |
| Microcontroller, Integrated ADC | AD2S1200, AD2S1205, AD2S1210 |
Conclusion
Analog Devices’ deep domain expertise and advanced technologies help partners design the industrial motor encoders and networks of the future. Integrating asset health insights in encoders is made easy with tiny and powerful microcontrollers, ADXL371 MEMS, and ADT7320 temperature sensors. ADI’s industry-leading AMR magnetic sensors, such as the ADA4571, improve reliability, reduce size and weight, and are easier to integrate into an encoder compared to optical or resolver sensing solutions. High accuracy and repeatability for pick and place machines and robots are possible with mid to high end ADCs such as the AD7380 or AD7760.

References
1Dayin Xu. “100BASE-T1L for Motor Feedback Communication.” Rockwell Automation, May 2022.
2Stephen Bradshaw, Christian Nau, and Enda Nicholl. “Multiturn Position Sensor Provides True Power-On Capabilities with Zero Power.” Analog Dialogue, Vol. 56, No. 3, September 2022.
3Jonathan Colao. “On-Chip Oversampling for the Analog Devices, Inc., AD7380 Family of SAR ADCs.” Analog Devices, Inc., June 2020.
4“EnDat 2.2—Bidirectional Interface for Position Encoders.” Heidenhain, September 2017.
5Richard Anslow and Neil Quinn. “Going Faster and Further with Fieldbus.” Analog Devices, Inc., March 2020.
Author

Richard Anslow
This article was first published here by Richard Anslow Download PDF
Richard Anslow is a senior manager, working in the field of software systems design engineering within the Industrial Automation Business Unit at Analog Devices. His areas of expertise are condition-based monitoring, motor control, and industrial communication design. He received his B.Eng. and M.Eng. degrees from the University of Limerick, Limerick, Ireland. Recently, he completed a postgraduate program in AI and ML with Purdue University.